
本系列產品為產品內輸送電源的連接器 技術特性 環境性能 工作溫度:-55℃~+125℃ 相對濕度:40℃時達95% 工作高度:海拔30000m 振動:頻率10Hz~2000 Hz加速度196m/s2 沖擊:加速度490m/s2 恒加速度:490m/s2 密封性:耐壓0.2MPa 防鹽霧,防潮濕,防霉菌性能等符合GJB101A-97標準的要求。 |
| 電氣性能 接觸電阻及額定電流
|
接觸件規格mm |
φ2.5 |
φ3 |
φ3.5 |
φ4 |
φ5 |
φ6 |
φ7 |
φ9 |
φ12 |
|
接觸電阻mΩ |
≤1 |
≤1 |
≤1 |
≤1 |
≤1 |
≤1 |
≤1 |
≤1 |
≤1 |
|
額定電流A |
25 |
50 |
50 |
60 |
75 |
100 |
100 |
150 |
250 | 額定電壓、耐電壓及絕緣體
|
工作環境 |
額定電壓V |
耐電壓V |
絕緣電阻MΩ |
|
常溫常壓 |
500 |
1500 |
≥3000 |
|
濕熱 |
500 |
500 |
≥20 |
|
高溫 |
250 |
— |
≥50 |
|
低氣壓條件4.39KPa |
300 |
375 |
— | 機械性能 殼體:高強度鋁合金材料,不銹鋼 非屏蔽鍍層:陽極氧化作色 屏蔽鍍層:鍍鋅彩虹色鈍化或軍綠色鈍化、化學鍍鎳、噴沙鍍鎳 絕緣體:耐熱熱塑性材料 接觸件:銅合金材料 表面鍍金 機械壽命:500次 標記代號及意義
 列別號形式表
|
符號 |
X |
Q |
P |
N |
H |
A |
|
代表意義 |
焊接膠封 |
壓接屏蔽膠封 |
焊接屏蔽膠封 |
壓接膠封 |
玻璃燒結密封 |
印制板焊接膠封 | 鍵槽鍵位
|
標識代號 |
Ⅰ |
Ⅱ |
Ⅲ |
Ⅳ |
Ⅴ |
|
鍵位字母 |
V |
Y |
I |
L |
T |
|
與主鍵Ⅲ的角度 |
157 |
102 |
0 |
135 |
146 |  插座外形及安裝尺寸

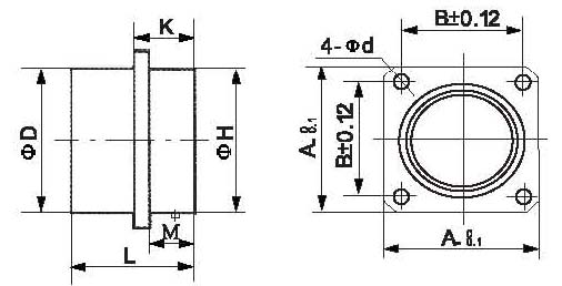
|
殼體號 |
A |
L |
M |
K |
D |
B |
d |
H |
|
12 |
27 |
26.5 |
14.5 |
16 |
20 |
21 |
3.6 |
20 |
|
14 |
30 |
26.5 |
14.5 |
16 |
23 |
23 |
3.6 |
23 |
|
16 |
33 |
26.5 |
14.5 |
16 |
26 |
25 |
3.6 |
26 |
|
18 |
36 |
26.5 |
14.5 |
16 |
29 |
27 |
3.6 |
29 |
|
20 |
39 |
26.5 |
14.5 |
16.7 |
33 |
29 |
3.6 |
32 |
|
22 |
42 |
26.5 |
14.5 |
16.7 |
35 |
32 |
3.6 |
35 |
|
24 |
45 |
26.5 |
14.5 |
16.7 |
38 |
35 |
3.6 |
38 |
|
32 |
60 |
32 |
15 |
18 |
50 |
50 |
4.5 |
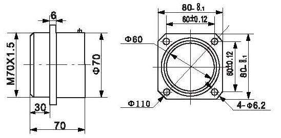
51 | D404插座外形及安裝尺寸
 Y50DX系列接點排列(裝針絕緣體插合面正視圖)
 更多詳情請咨詢:http://m.bjzztd.com |
| 錄入時間:2012-5-20 5:50:05 【打印此頁】 【關閉】 |