

| · | 地 址: | 江蘇 泰興市大生鎮工業園 |
| · | 電 話: | (0)15052857428 |
| · | 網 址: | http://m.bjzztd.com |
電氣性能 接觸電阻及額定電流 接觸件φ0.635mm 接觸電阻≤0.025Ω 額定電流1A 額定電壓、耐電壓及絕緣電阻
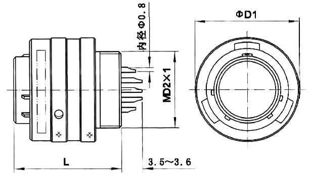
機械性能 殼體:高強度鋁合金材料 非屏蔽鍍層:陽極氧化作色 屏蔽鍍層:鍍鋅彩虹色鈍化或軍綠色鈍化、化學鍍鎳 絕緣體:熱固性材料 接觸件:銅合金材料 表面鍍金、銀 封線體和密封圈:硅橡膠材料 機械壽命:1000次 標記代號及意義 ![]() 注:1、表示整套電連接器時,標記代號采用分數形式,插座標記寫作分子,插頭標記寫作分母,中間用斜線隔開。 2、插頭、插座型號在產品上直接標出,電連接器型號供用戶訂貨和公司生產、經營管理用。 3、對于選配附件的插頭(座),可在其標記代號后加+再寫出所選附件。 例如:XCF系列14型裝鍍金插孔插座,接觸件芯數為10芯,殼體化學鍍鎳,N鍵位 型號為:XCF14F10K1P1 XCF系列14型裝鍍金插針插頭,接觸件芯數為10芯,殼體化學鍍鎳,N鍵位 型號為:XCF14T10Z1P1 整套連接器型號為:XCF14F10K1P1/P1 外形尺寸 XCF插頭 ![]()
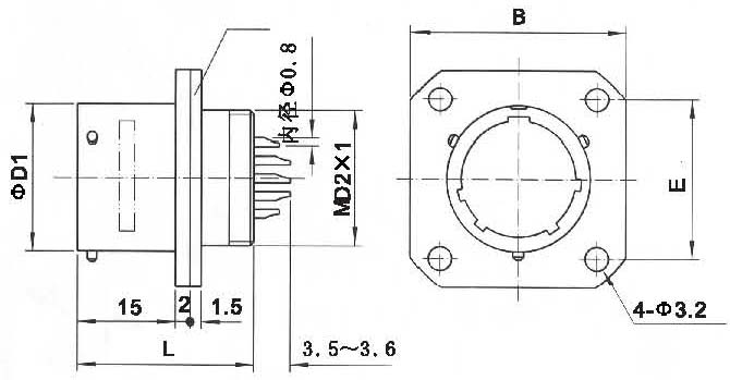
XCF插座(XCF插座帶螺紋和不帶螺紋兩種外形尺寸相同,圖形以帶螺紋為例) ![]()
XCF插座面板開孔建議尺寸 ![]()
XCF系列接點排列(裝針絕緣體插合面視圖) ![]() ![]() ![]() 更多詳情請咨詢:http://m.bjzztd.com | ||||||||||||||||||||||||||||||||||||||||||||||||||||||||||||||||||||||||||||||||||||||||||||||||||||||||||||||||||||||||||||||||||||||||||||||||||||||||||||||||||||||||
| 錄入時間:2012-5-20 5:34:28 【打印此頁】 【關閉】 | ||||||||||||||||||||||||||||||||||||||||||||||||||||||||||||||||||||||||||||||||||||||||||||||||||||||||||||||||||||||||||||||||||||||||||||||||||||||||||||||||||||||||