

| · | 地 址: | 江蘇 泰興市大生鎮工業園 |
| · | 電 話: | (0)15052857428 |
| · | 網 址: | http://m.bjzztd.com |
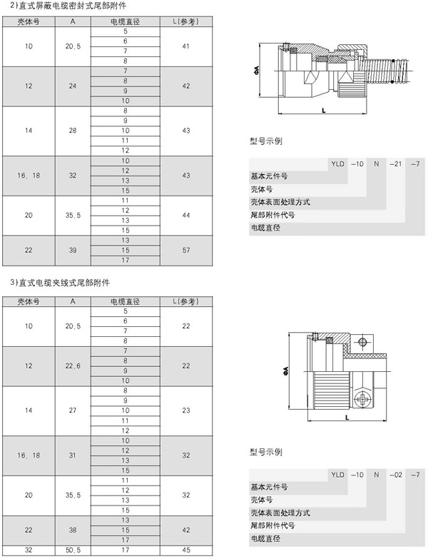
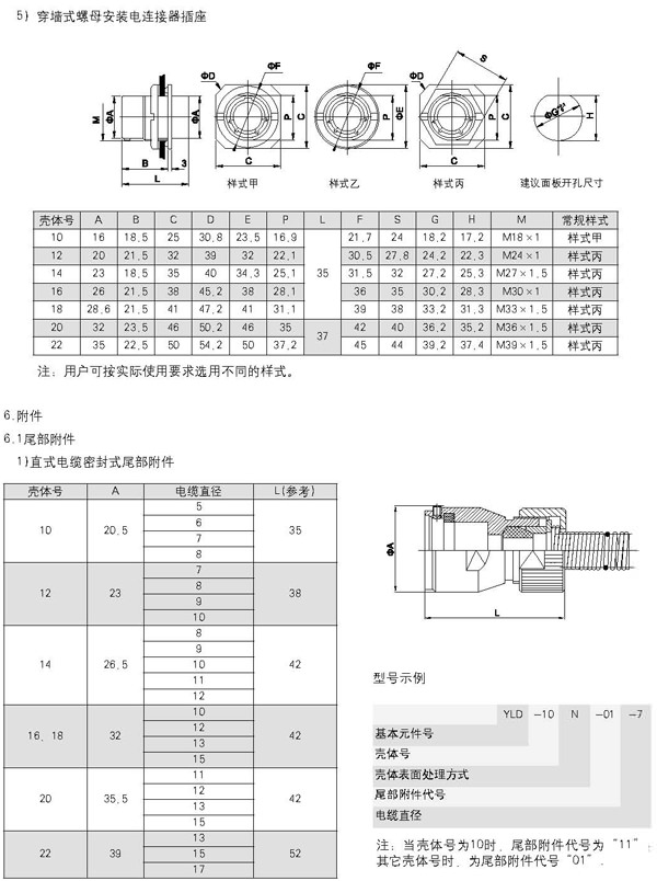
![]() 一、YLD圓形電連接器簡介 本系列產品為產品內輸送大電流的電源連接器,符合GJB101A-97標準,插孔為線簧插孔,卡口快速連接,端接方式為焊接,與Y50DX同型號產品互換。 技術特性 環境性能 工作溫度:-55℃~+125℃ 相對濕度:40℃時達95% 工作高度:海拔30000m 振動:頻率10Hz~2000 Hz加速度196m/s2 沖擊:加速度980m/s2 密封性:耐壓0.2MPa 防鹽霧,防潮濕,防霉菌性能等符合GJB101A-97標準的要求。 電氣性能 接觸電阻及額定電流
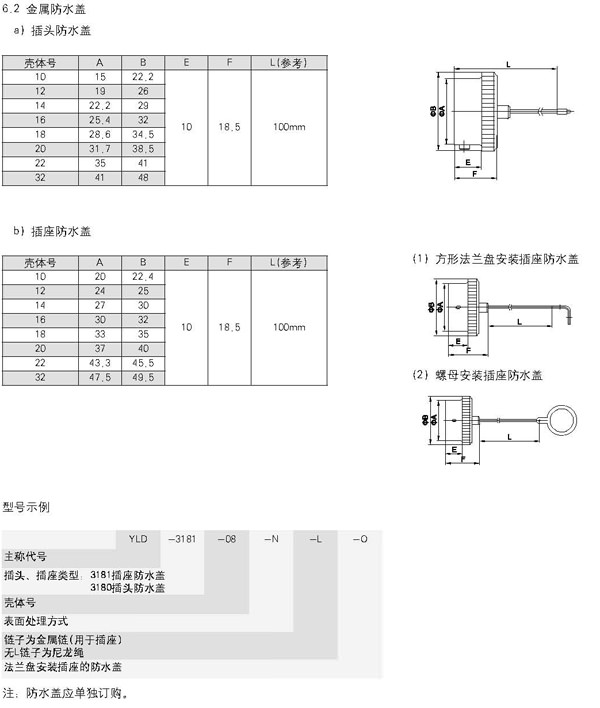
殼體:高強度鋁合金材料,不銹鋼、銅合金。 非屏蔽鍍層:陽極氧化作色 屏蔽鍍層:噴砂鍍鎳、化學鍍鎳、鍍鎘等。 絕緣體:耐熱熱塑性材料或工程塑料。 接觸件:銅合金材料 表面鍍金 機械壽命:500次 ![]() ![]() ![]() ![]() ![]() ![]() ![]() ![]() ![]() ![]() ![]() | ||||||||||||||||||||||||
| 錄入時間:2012-4-11 12:16:47 【打印此頁】 【關閉】 |